Conn-Link Technology Inc
Description
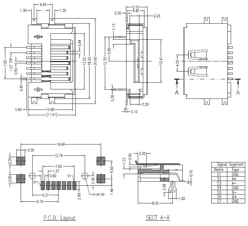
  • SATA (Serial ATA) 7P
  • Male
  • Right Angle
  • Standard Type
  • SMD
  • with Shielding
  • 15u” Plating

Material

  • Housing: LCP+50%G.F, UL 94V-0 Rated.
  • Color: Black.
  • Contact: Phosphor Bronze.
  • Plating: Gold plating over Nickel on contact area;
    Tin plating on solder Tail.
  • Harpoon: Brass.
  • Plating: Tin Plating over Nickel.

Mechanical

  • Insertion Force: 45N Max.
  • Withdrawal Force: 10N Min.
  • Durability: 500 Cycles.

Electrical Specification

  • Operation Voltage: 100VAC Max.
  • Current Rating: 1.5 Ampere per Contact.
  • Contact Resistance: 30mΩ Max.
  • Insulation Resistance: 1000MΩ Min.
  • Dielectric Withstanding Voltage: 500 VAC.

Environmental

  • Operating Temperature: -55°C to +125°C
  • RoHS Compliance.