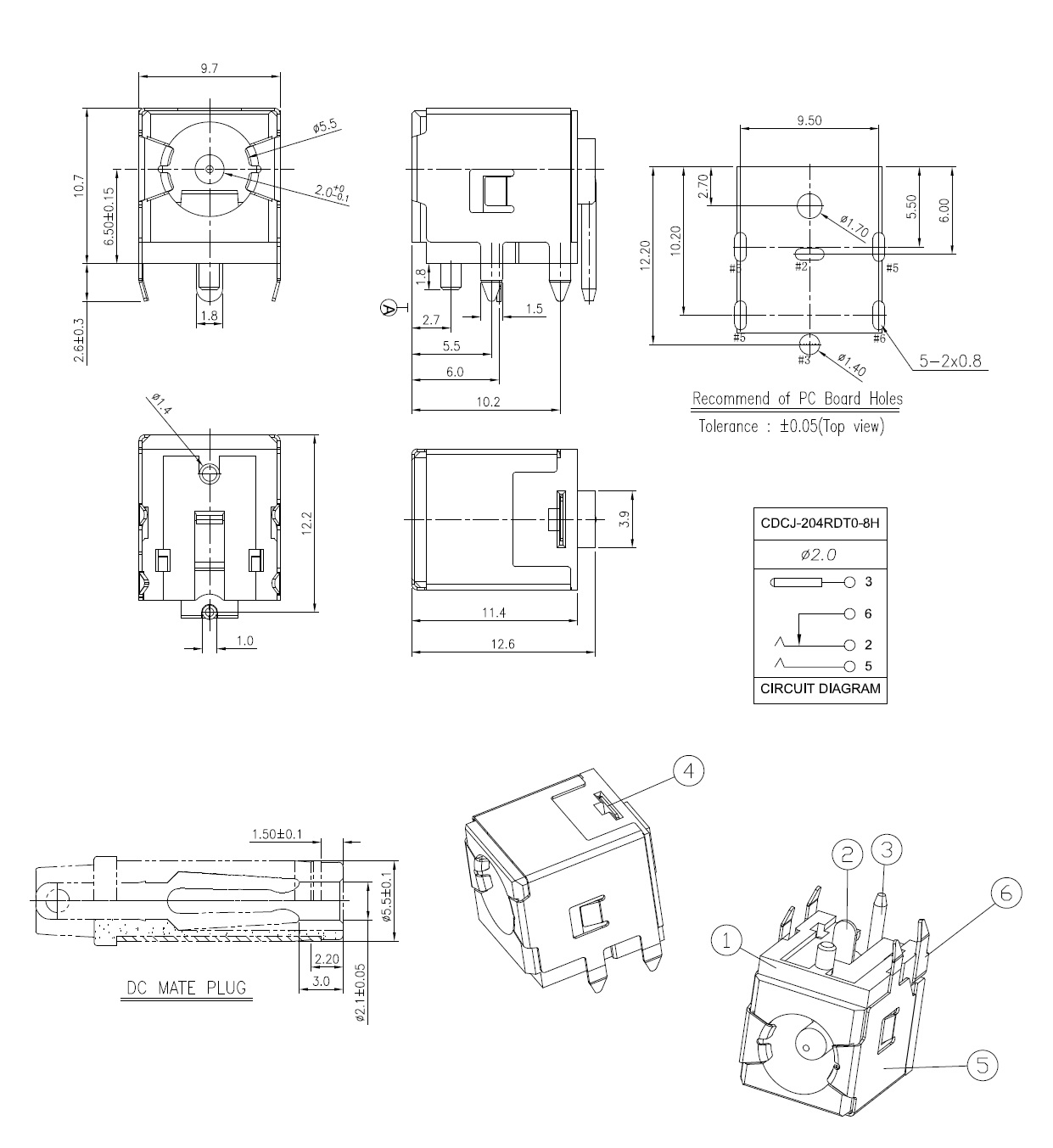
CDCJ-204RDT0-8H (24V10A)
Description
- DC Power Jack
- Center Pin 2.0mm/5.5mm
- 4Pins
- Right Angle
- DIP
- Tin Plating
- H=10.7mm
- With Shielding
- PA9T
- Black Color
- Support Current 24V 10A
DC Power Jack, 2.0mm/5.5mm, 4Pins, Right Angle, DIP, Tin Plating, H=10.7mm, With Shielding, PA9T, Black Color, Support 24V 10A
Material
- Housing: PA9T, UL 94V-0 Rated.
- Color: Black.
- Spring Piece: Phosphor Bronze.
- Plating: Tin Plating over Nickel.
- Center Pin: Brass.
- Plating: Nickel Plating over All.
- Stopper: SUS301.
- Shell: SUS301.
- Plating: Nickel Plating over All.
- Contact Foot: Brass.
- Plating: Tin Plating over Nickel.
Mechanical
- Insertion Force: 0.3Kgf~3.0Kgf.
- Extraction Force: 0.3Kgf~3.0Kgf.
- Life Test: 5,000 Cycles Min.
Electrical Specification
- Rating: DC 24V 10A.
- Contact Resistance: 30mΩ Max(Initial);
- Between Plug and Contact: 100mΩ Max;
- After Life Test: 60mΩ Max(Final).
- Insulation Resistance: 100MΩ Min Measured by 500V DC.
- Dielectric Withstanding Voltage: 500V AC for One Minute.
Environmental
- Operation Temperature Range: -20°C~70°C.
- Soldering Heat Resistance Reflow Soldering: 260°C.
- Plug Interface Dimensions Conform to EIAJ RC-5321 Spec.
- RoHS Compliance.
- REACH Compliance.

