Conn-Link Technology Inc
Description
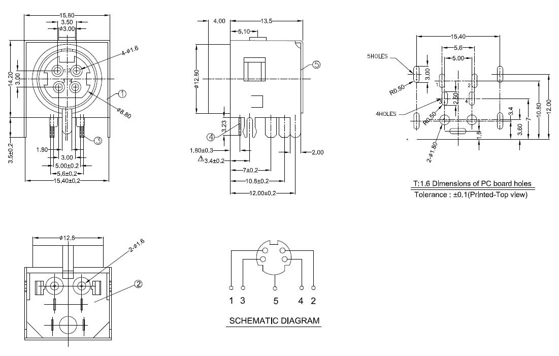
  • Power Din Jack
  • 4Pins
  • Female
  • Right Angle
  • DIP
  • with Shielding

Material

  • Housing: PBT 4815, UL 94V-0 rated.
  • Color: Black.
  • Cover: PBT 4815, UL 94V-0 rated.
  • Color: Black.
  • Terminal: Brass C2680 T=0.3mm.
  • Plating: Ag Plating.
  • Ground Contact: Brass C2680 T=0.4mm.
  • Plating: Tin Plating.
  • Coat: SPCC T=0.4mm.
  • Plating: Tin Plating.

Mechanical

  • Insertion Force: 5N~35N.
  • Withdrawal Force: 5N~35N.
  • Durability: 1,000Cycles.

Electrical Specification

  • Current Rating: DC 50V 1.0A.
  • Contact Resistance: 0.03Ω Max.
  • Insulation Resistance: 100MΩ Min (250V DC).
  • Dielectric Withstanding Voltage: 500 VAC.

Environmental

  • Operating Temperature: -25°C to +85°C
  • RoHS Compliance.