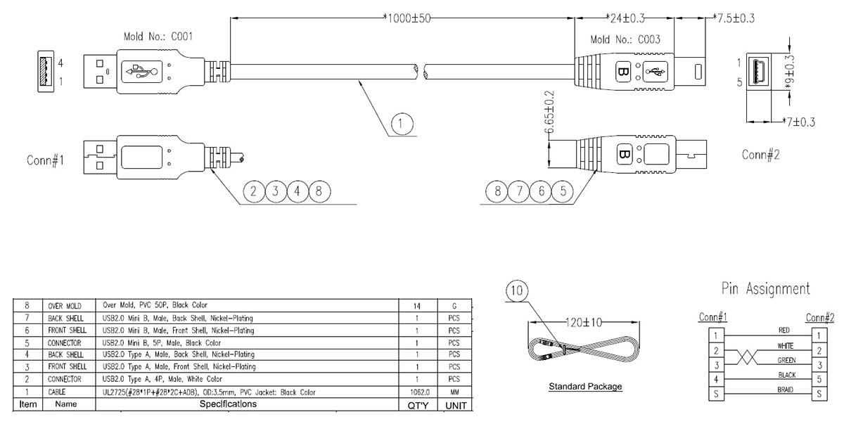
LUSB-4AM5NMR02-XXXX
Description
- USB2.0 Cable
- Type A Male to Mini B Male
- UL2725(#28*1P+#28*2C+ADB)
- OD:3.5mm
- PVC Jacket
- Black Color
- L=XXXXmm
Electrical Specification
- 100% Open Short and Mis-Wire Test.
- Contact Resistance: 1Ω Max.
- Insulation Resistance: 20MΩ Min.
- Contact Voltage: DC300V/10ms.
Environmental
- RoHS Compliance.