Conn-Link Technology Inc
Description
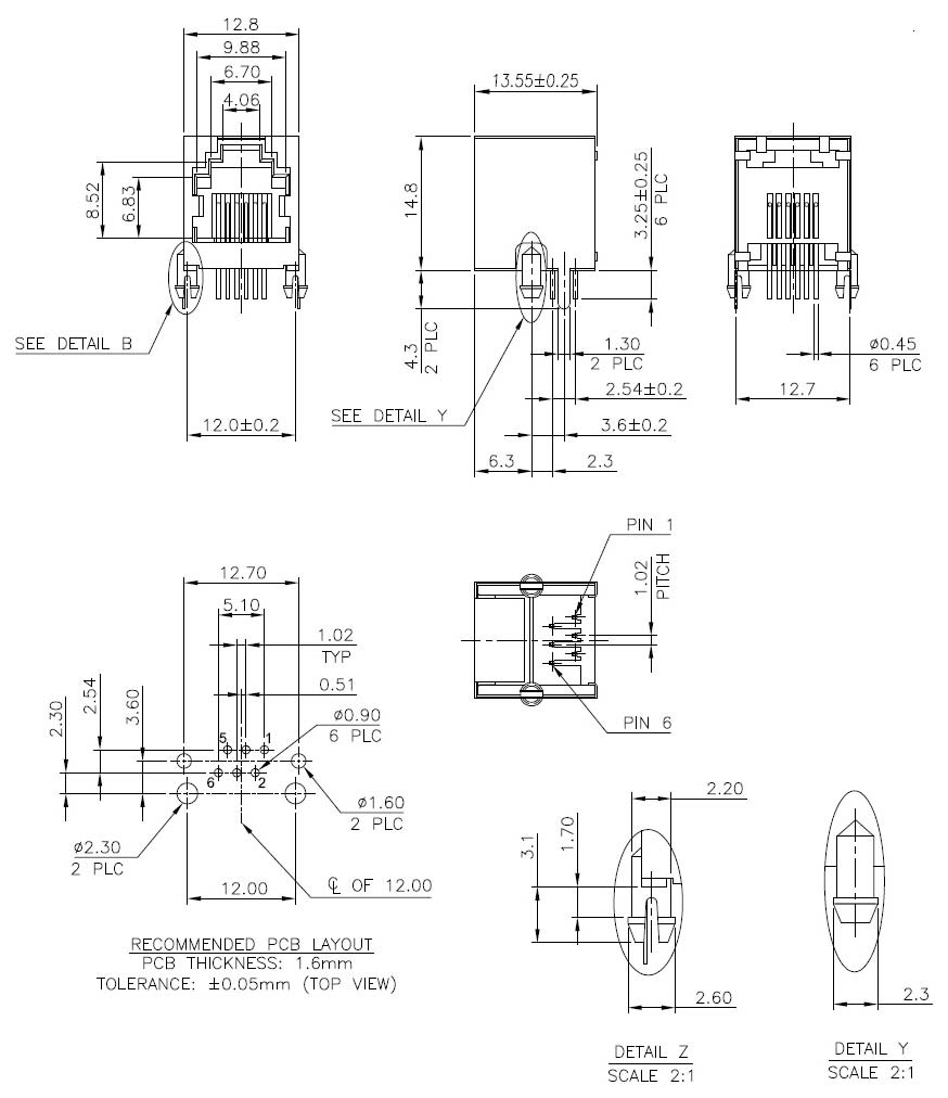
  • RJ11
  • 6P6C
  • Side Entry
  • DIP
  • 6u" Gold Plating
  • With 3Side Shielding
  • Without LED
  • Body=13.55mm
  • Posts Distance 12.70mm
  • Black Color

Material

  • Housing: PBT With Glass Fiber, UL 94V-0 Rated.
  • Color: Black.
  • Contact: Phosphor Bronze.
  • Plating: Gold Plating over Nickel on Contact Area;
    Tin Plating over Nickel on Solder Tail.
  • Shield: Brass.
  • Plating: Nickel Plating.

Mechanical

  • Durability: 750 Cycles.

Electrical Specification

  • Operation Voltage: 125VAC Rms.
  • Current Rating: 1.5 Ampere.
  • Contact Resistance: 30mΩ Max.
  • Insulation Resistance: 500MΩ Min at 500VDC.
  • Dielectric Withstanding Voltage: 1000 VAC Rms 60Hz, 1Min.

Environmental

  • Storage Temperature:  -40°C to +85°C
  • Operating Temperature:  -20°C to +75°C
  • Mates With Modular Plug Conforming To FCC Part 68, Subpart F.
  • RoHS Compliance.