Conn-Link Technology Inc

Description

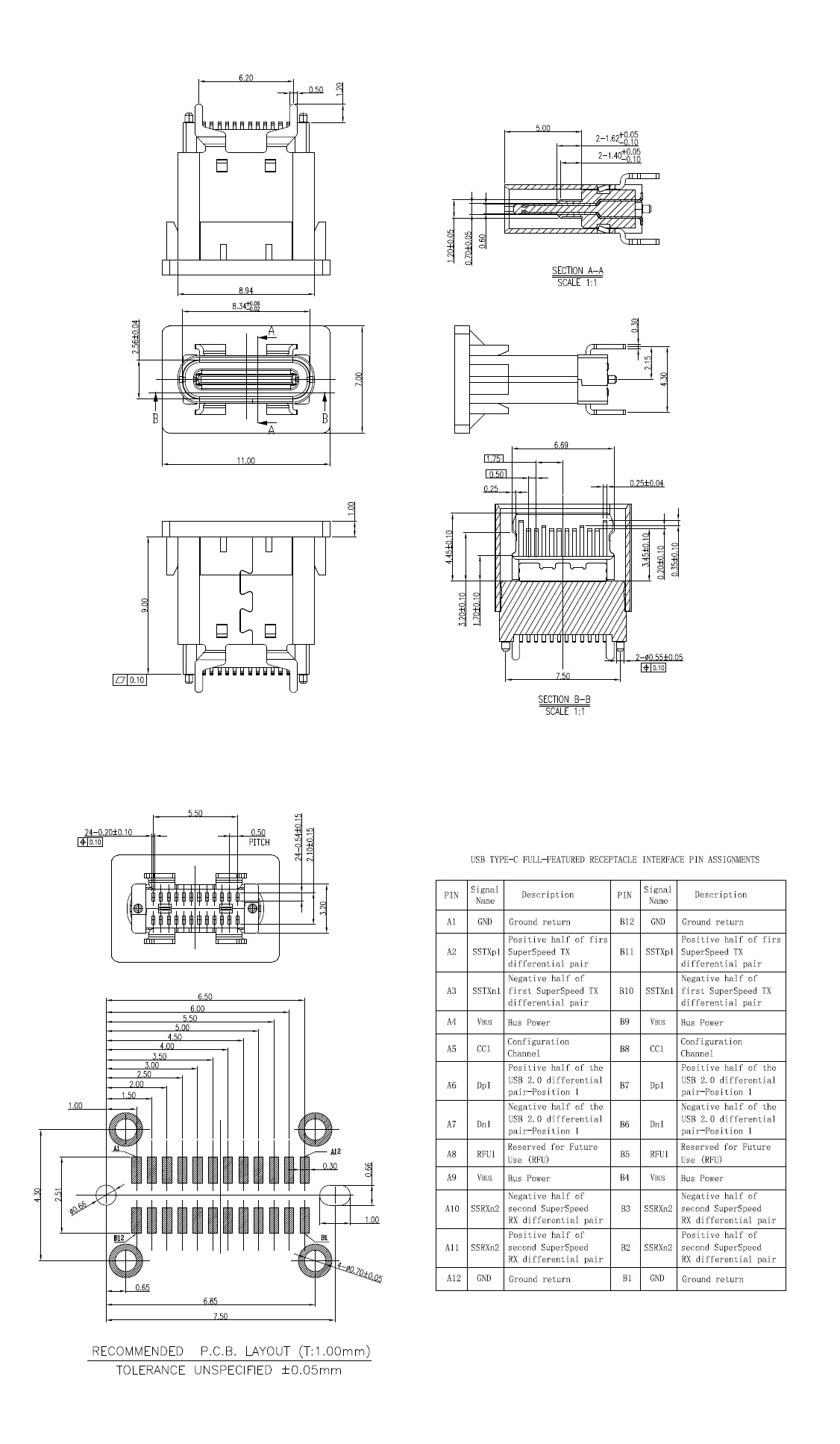
  • USB 4.0 Type C Connector
  • Gen3
  • 24Pins
  • Receptacle
  • Vertical Type
  • Dual Rows SMT
  • Gold Flash
  • H=9.0mm
  • LCP
  • Black Color
  • Shell Pin 4.3mm*6.2mm

USB4.0 C Type, Gen3, 24Pins, Receptacle, Vertical Type, Dual Rows SMT, Gold Flash, H=9.0mm, LCP, Black Color, Shell Pin 4.3mm*6.2mm

Material

  • Insulator: LCP, UL 94V-0 Rated.
  • Color: Black.
  • Contact: Copper Alloy.
  • Plating: Gold Plating over Nickel on Contact Area;
  • Gold Flash over Nickel on Solder Tail.
  • Shell: Stainless Steel, SUS304-H, T=0.30±0.03mm.
  • Plating: Nickel Plating over All.
  • EMI Shield: Stainless Steel, SUS301-H, T=0.10±0.03mm.
  • Latch: Stainless Steel, SUS301-H, T=0.15±0.03mm.

Mechanical

  • Insertion Force: 5~20N.
  • Withdrawal Force: 8~20N.
  • Durability: 10,000Cycles.

Electrical Specification

  • Current Rating: 5.0A Max for VBUS.
  • 0.25A Max for Others.
  • Voltage Rating: 5V AC Max.
  • Contact Resistance: 40mΩ Max.
  • Insulation Resistance: 100MΩ Min.
  • Dielectric Withstanding Voltage: 100V AC R.M.S.

Environmental

  • Operating Temperature:  -30°C to +80°C.
  • RoHS Compliance.
  • REACH Compliance.