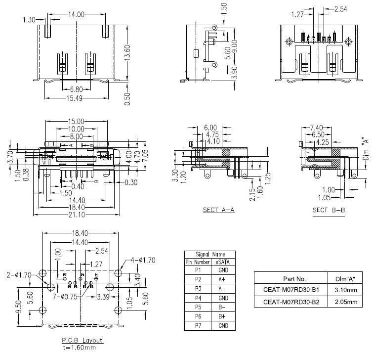
Conn-Link Technology Inc
Description
  • eSATA (external SATA) 7P
  • Male
  • Right Angle
  • DIP
  • Standard
  • Black Color
  • with Small Spring on Bottom.

Material

  • Housing: LCP+50%G.F, UL 94V-0 Rated.
  • Color: Black.
  • Contact: Brass.
  • Plating: Gold plating over Nickel on contact area;
    Tin plating on solder Tail.
  • Shell: Brass.
  • Plating: Ni(40u" Min) Plating.

Mechanical

  • Insertion Force: 40N Max.
  • Withdrawal Force: 10N Min.
  • Durability: 2500 Cycles.

Electrical Specification

  • Operation Voltage: 100VAC Max.
  • Current Rating: 1.5 Ampere per Contact.
  • Contact Resistance: 30mΩ Max.
  • Insulation Resistance: 1000MΩ Min.
  • Dielectric Withstanding Voltage: 500 VAC.

Environmental

  • Operating Temperature: -55°C to +85°C
  • RoHS Compliance.