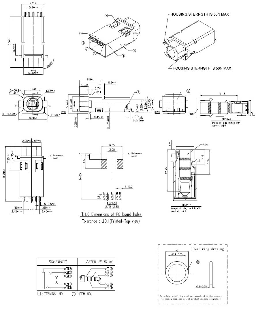
CWPC-345RSG0-A1
Description
- Waterproof Connector
- Earphone Jack
- 3.5mm
- 4Poles
- 5Pins
- Right Angle
- SMT
- Gold Flash
- H=4.95mm
- Black Color
- with Oval Ring
- Waterproof Level IPX7
Specification
- Insulation Resistance: A Voltage of 500V DC.
Shall Be Applied to The Terminals, After Which Measurement Shall Be
Made. A Gauge for The Measurement Shall Be Used The Insulated gauge. - Contact Resistance: 30mΩ Maximum.
- Withstand Voltage: 500V AC for One Minute.
- Durability: 10,000 Insertion/Removal Cycles Minimum.
- Insertion Force: 0.4Kgf ~ 2.0Kgf.
- Withdrawal Force: 0.4Kgf ~ 2.0Kgf.
- Water Proofness: This Product is Conform to JIS Standard IPX7
by Waterproof Jack. - Using Plug: 3.5mm, 4Poles Stereo Plug Earphone
(LCH/RCH/GND/MIC) Provided That They Conform to JIS C6560. - O-Ring Assembly Area to Maintain Smooth, Shall Have No Burrs.
- Housing and O-Rings are Packed Separately.
- The Connector Can Go Through the IR Process Once Only.
- RoHS Compliance.
Notes: For reflow soldering lead-free products & the O-ring cannot go
through the IR process with waterproof connector together.
