凱聯科技股份有限公司
Description 
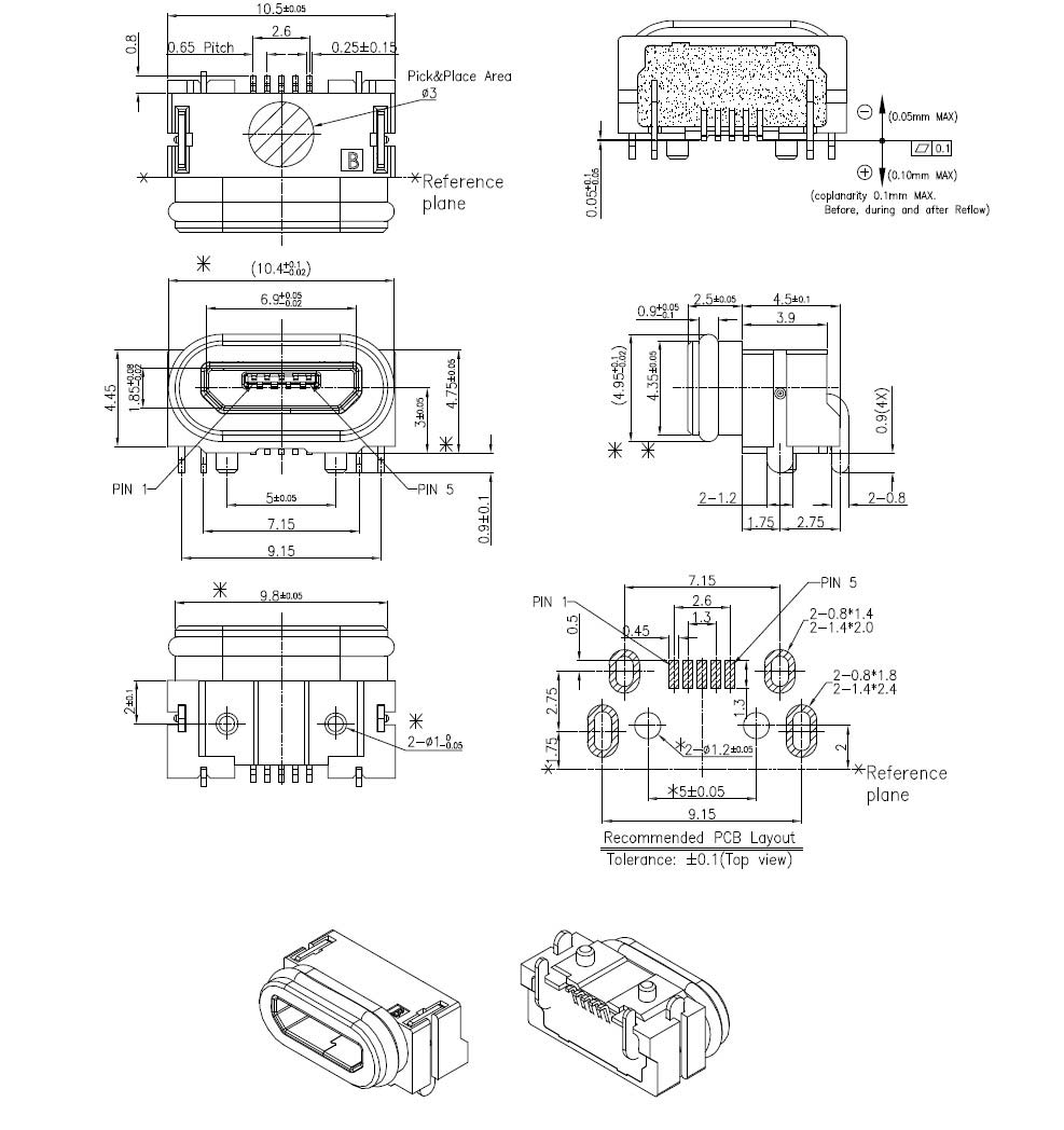
  • Waterproof Connector
  • Micro USB B Type
  • Receptacle, 5Pins
  • Right Angle
  • SMT
  • Gold Flash
  • Posts Distance 5.0mm
  • Black Color
  • with Oval Ring
  • Waterproof Level IPX7

Material

  • Housing: LCP, UL 94V-0 Rated.
  • Color: Black.
  • Cover: PA9T, UL 94V-0 Rated.
  • Color: Black.
  • Contact: Copper Alloy, T=0.20mm.
  • Plating: Gold Plating over Nickel on Contact Area,
    Tin Plating over Nickel on Solder Tail.
  • Shield: Stainless Steel, T=0.25mm.
  • Plating: Nickel Plating.
  • Metal Posts: SPCC, T=0.30mm.
  • Plating: Tin Plating.
  • Oval Ring & Bond.
    - The Amount of Low Molecular Siloxanes(D3~D10) Less than
  • 200ppm.
    - Hardness of Silicone Rubber: 70°.
    - Horizontal Flash 0.1Max; Longitudinal Flash 0.10max.

Mechanical

  • Insertion Force: 3.6Kg Force Max.
  • Withdrawal Force: 0.8Kg Force(Reference).
  • Durability: 10,000Cycles.

Electrical Specification

  • Current Rating: 1.8A(Pin#1&5), 0.5A (Pin#2, 3, & 4).
  • Contact Resistance: 30mΩ Max Initial.
  • Insulation Resistance: 100MΩ Min Measured by 500V DC.
  • Dielectric Withstanding Voltage: 300V AC per Minute.

Environmental

  • Operating Temperature: -30°C to +80°C.
  • Water Proofness: Based on IPX7 (1m, 30minute.)
  • Body With O-Ring's Seal Area Burrs is 0.05mm Max.