凱聯科技股份有限公司

Description

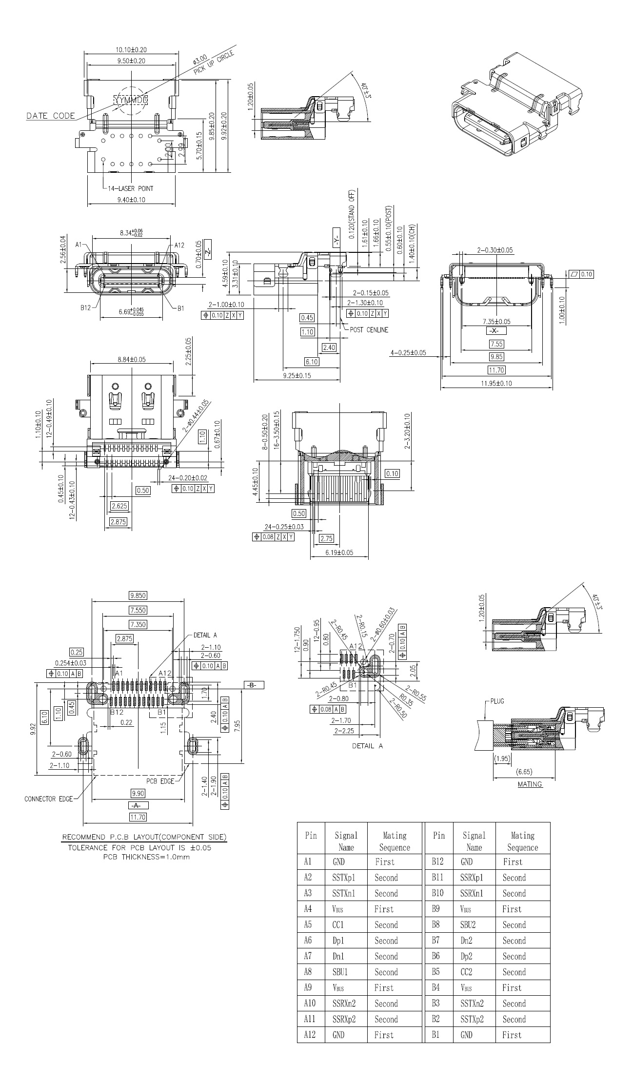
  • USB 4.0 Type C Connector
  • Gen3
  • 24Pins
  • Receptacle
  • Subside Type
  • Dual Rows SMT
  • 30u” Gold Plating
  • CH=1.40mm
  • Body L=9.92mm
  • Thermoplastic, Glass Fiber Filled
  • Black Color

USB4.0 C Type, Gen3, 24Pins, Receptacle, Subside Type, CH=1.40mm, Dual Rows SMT, 30u" Plating, Body L=9.92mm, Black Color

Material

  • Insulator: Thermoplastic, Glass Fiber Filled, UL 94V-0 Rated.
  • Color: Black.
  • Contact: Copper Alloy.
  • Plating: Gold Plating over Nickel on Contact Area;
  • Tin Plating over Nickel on Solder Tail.
  • Shell: Stainless Steel.
  • Plating: Nickel Plating over All.

Mechanical

  • Insertion Force: 5~20N.
  • Withdrawal Force: 8~20N.
  • Durability: 10,000Cycles.

Electrical Specification

  • Current Rating: 5.0A Max.
  • Voltage Rating: 5V AC Max.
  • Contact Resistance: 40mΩ Max.
  • Insulation Resistance: 100MΩ Min.
  • Dielectric Withstanding Voltage: 100V AC R.M.S.

Environmental

  • Operating Temperature:  -30°C to +85°C.
  • RoHS Compliance.
  • REACH Compliance.